消防對夾蝶閥(fa)

産品型号:D71X

公稱(chēng)通徑:DN50~DN1000(2"~40")

公稱壓力(lì):PN16

工作溫度:0℃~85℃

适用(yong)介質:水、雪花电影在线🔞影院🚩泡沫混(hùn)合液

閥體材質(zhi):球墨鑄鐵



産品(pǐn)詳情

      消防對夾蝶閥(fa)是引進國外先(xian)進技術而自行(hang)開發的中線型(xing)蝶閥,它具有結(jié)構簡單,密封可(kě)靠,開啓輕便、壽(shou)命長、維護🐅方便(bian)等優點。故被廣(guǎng)泛地應用于給(gěi)排水、建築消防(fáng)等系統各種管(guǎn)道上,尤其在消(xiao)防管路中。本信(xìn)号閥可明白無(wu)誤的顯示出閥(fá)門開關狀🙇‍♀️态,具(ju)有直觀、清晰、可(ke)靠的💚反映出消(xiao)防系統中的工(gong)作狀态,所以廣(guǎng)泛、大量的适用(yong)🌐于消防系統中(zhong)。

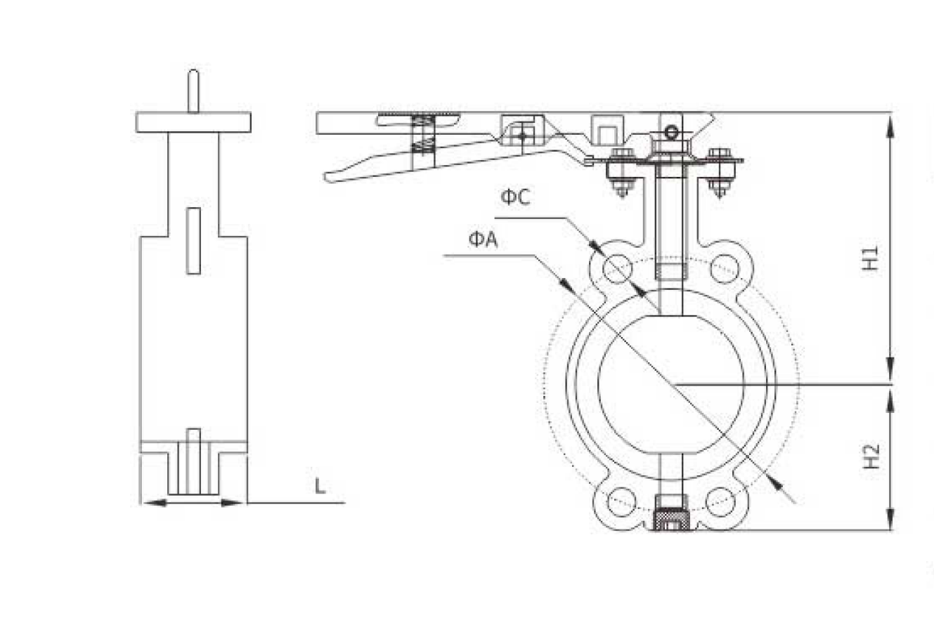
消防對(dui)夾蝶閥(圖1)

型号Model

DN

ΦA-ΦC

L

H1

50

110-16

125-16

42

163

70

ZSDF 7-Q-65-D71X

65

145-18

44

75

ZSDF 7-Q-80-D71X

80

160-18

177

90

ZSDF 7-Q-100-D71X

100

180-20

52

192

105

ZSDF 7-Q-125-D71X

125

210-24

51

205

ZSDF 7-Q-150-D71X

150

240-25

55

219

131


産品推薦(jian)